Notices

Relay for Lamp Pod

Thread Tools
 
Search this Thread
 
Old Nov 5, 2025 | 03:01 PM
  #1  
astrarally's Avatar
astrarally
Thread Starter
Scooby Regular
15 Year Member
 
Joined: Nov 2006
Posts: 36
Likes: 1
Default Relay for Lamp Pod

I'm after some help with wiring in a spot lamp pod to a 2009 impreza hatch please...

I've wired it as per the diagram below with my "ground trigger source" 85 joined to the black neg wire feeding one of the high beam bulbs as it has to come on and off with beam. as i understand it Subaru made it a permanent pos and switched neg.

my issue is the lamp pod turns on as soon as the ignition is witched on with the high beam off, and then switches the lamp pod off when the high beam is switched on, so the wrong way around to what i need.

Can anyone help with what i've done wrong pls ? probably an easy fix!? bear in mind my knowledge of electrics is only just above numpty level

i tried using the 87a normally closed terminal but the pod is then on when the ignition is switched off


Last edited by astrarally; Nov 5, 2025 at 04:32 PM.
Reply
Old Nov 6, 2025 | 10:51 AM
  #2  
Don Clark's Avatar
Don Clark
Scooby Regular
20 Year Member
Liked
Loved
Community Favorite
 
Joined: Feb 2003
Posts: 7,815
Likes: 823
From: Harpenden
Default

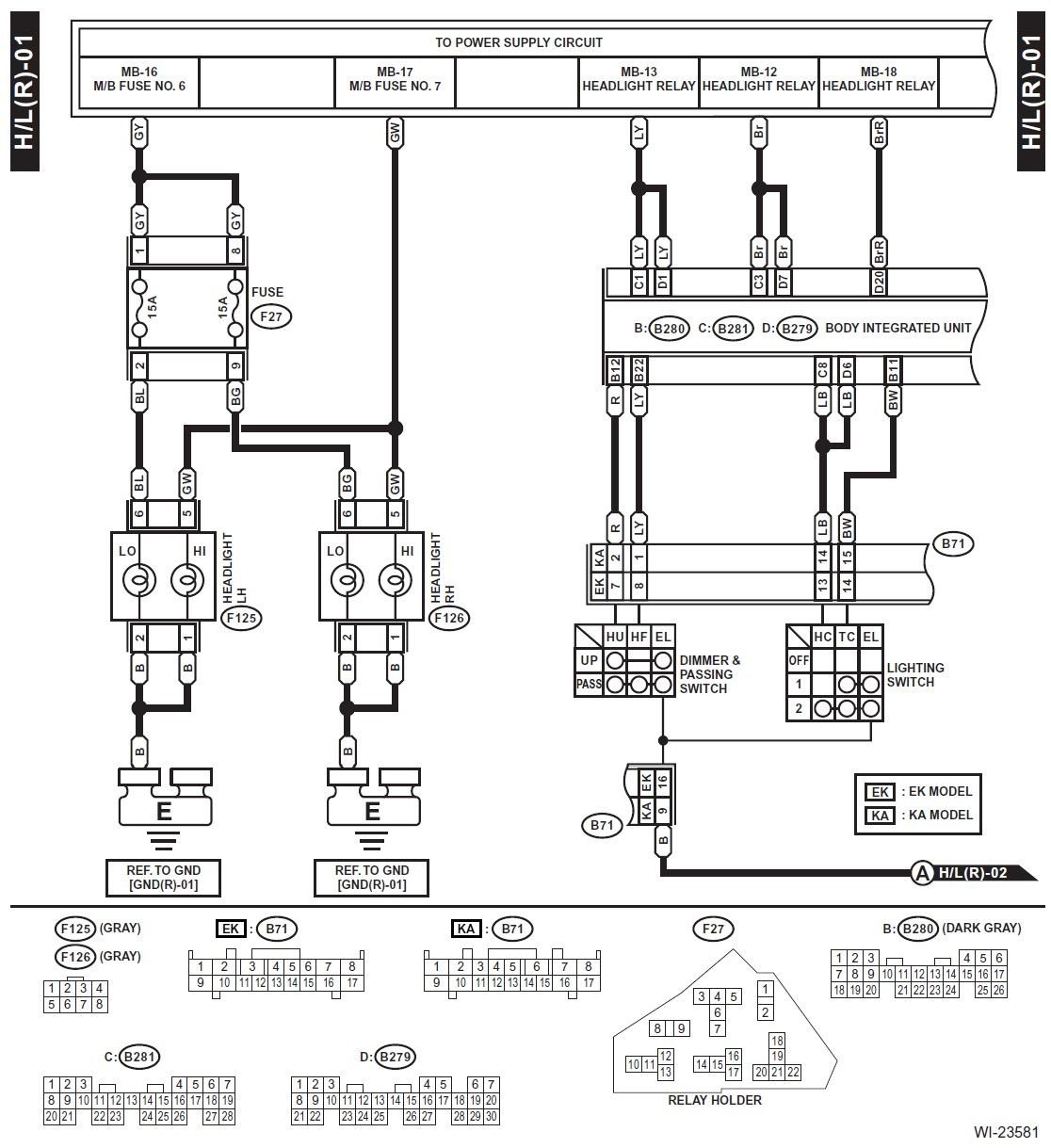
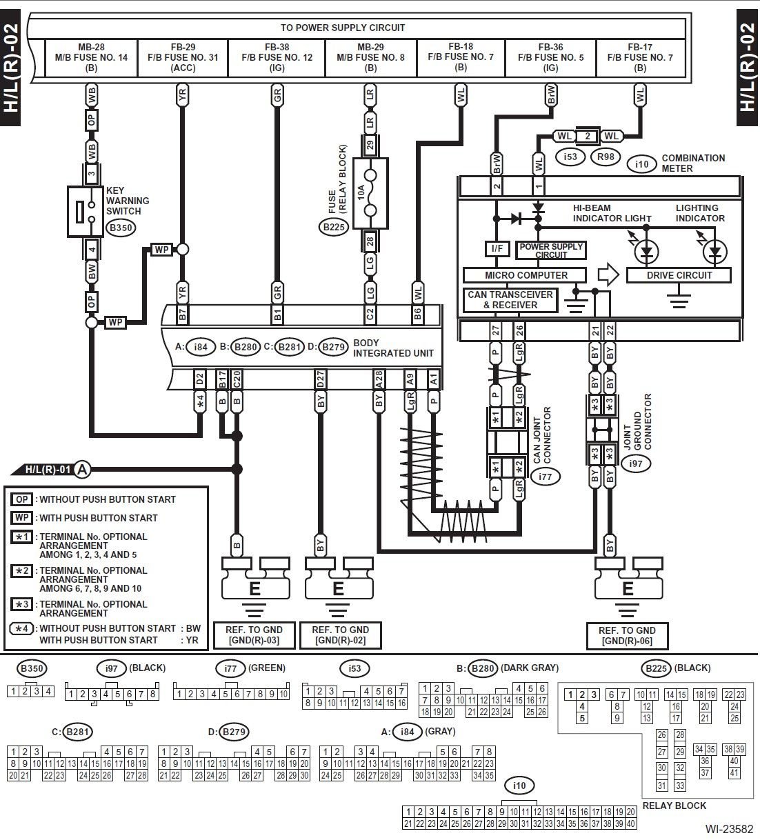
"Subaru made it a permanent pos and switched neg" - not always the case, especially in the newer cars with a BIU as the headlight relays are controlled further up the chain. - see wiring diagrams below

As it stands in your image above, connecting pin 85 to the negative wire from the headlight bulb means that with the headlight turned off the coil between 86 and 85 in the relay will be continuously energised as there is no shut off switch between 85 and ground and the light pod will be on.
When the headlight is turned on the coil between 86 and 85 is then at 12v potential on both sides so is de-energised and the light pod turns off.

It should work if 86 is connected to the negative wire from the headlight rather than the battery and 85 is connected to a separate ground (usually the relay mounting bracket).
Or as you are part way there,simply leave 85 as is and connect 86 to earth not battery.

09 Hatch Headlight wiring diagrams below




Last edited by Don Clark; Nov 6, 2025 at 11:14 AM.
Reply
Old Nov 9, 2025 | 08:50 AM
  #3  
astrarally's Avatar
astrarally
Thread Starter
Scooby Regular
15 Year Member
 
Joined: Nov 2006
Posts: 36
Likes: 1
Default

Thanks so much for this! worked a treat - i went for connecting 86 to the neg headlight wire and works perfectly

Probably saved me from frying myself or the car electrics with my trial and error methods - much appreciated
Reply
Related Topics
Thread
Thread Starter
Forum
Replies
Last Post
psigeek
ScoobyNet General
31
Jan 21, 2014 01:56 PM
rallycol
Lighting and Other Electrical
8
Sep 26, 2010 03:19 PM
THE MAN THAT CAN
Wanted
3
Jan 4, 2008 12:48 AM
ukbob
Wanted
18
Aug 9, 2003 02:17 PM




All times are GMT +1. The time now is 03:47 AM.